
Резервуары горизонтальные стальные двустенные (РГСПД)
От 0 до 90 °C
до 9 баллов
ООО "НПО "Спецнефтемаш"
Типоразмеры в наличии:
Чтобы обеспечить безопасные условия хранения и удобства приема и раздачи нефтепродуктов и прочих жидких субстанций, устанавливают особые хранилища — подземные горизонтальные стальные двустенные резервуары РГСПД объемом от 5 до 100 кубометров. Такие емкости необходимы для работы нефтеналивных терминалов, автозаправочных станций и прочих предприятий. Двустенные подземные резервуары РГСПД предназначены для жидких продуктов, плотность которых не более 1 000 кг/м3.
Сфера использования
Основная область использования металлических хранилищ — размещение продуктов переработки нефти и газа, таких как ГСМ, топливо, масла и прочие. Безопасность хранения нефтепродуктов полностью обеспечивают стальные резервуары РГСПД цилиндрической формы. Существуют и специализированные емкости для конкретных жидкостей:
- воды;
- химикатов;
- бензина, дизтоплива и других.
Такими металлическими хранилищами оснащают частные и муниципальные территории, чтобы обеспечить население водой в случае объявления чрезвычайной ситуации. В индустрии широко востребованы топливные резервуары — их приобретают предприятия, занимающиеся нефте- и газопереработкой.
Конструкция двустенного резервуара
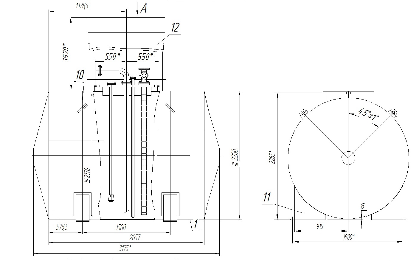
Двустенный резервуар РГСПД — это две отдельных емкости, размещенных одна в другой таким образом, чтобы между стенками оставался зазор от 4 мм, а пространство было герметичным и заполнено азотом (допустим другой инертный газ) или незамерзающей жидкостью (тосол, антифриз).
В процессе сборки двустенного цилиндрического корпуса используют стальные обечайки — специальные заготовки. Их стыкуют и сваривают автоматическим сварочным аппаратом. Затем с боков емкость закрывают коническими или плоскими днищами. В сечении корпус круглый или овальный.
Устройство
Стандартному резервуару присущи следующие особенности:
- цилиндрическая форма;
- горизонтальное расположение;
- наличие:
- люка с крышкой;
- патрубков для закачки и выпуска жидкого содержимого.
С целью увеличения функциональности место хранения нефтепродуктов требуется дооснастить:
- насосным оборудованием;
- датчиками давления, уровня жидкости, температуры;
- клапанами;
- контрольно-сигнализирующими приборами.
Удобство доступа к люку повышают, осуществляя монтаж технологических площадок и лестниц. Внутренние стальные ребра жесткости предотвращают деформацию стенок при механическом воздействии.
Каталог резервуаров РГСПД
Тип исполнения
По пространственной ориентации различают горизонтальные двустенные резервуары (РГСД) и вертикальные (РВСД). По способу установки рассматривают два типа — наземный и подземный (РГСПД).
Количество секций
Внутри стальную емкость делят на несколько герметичных секций, разделенных перегородками — одностенными или двустенными. Для доступа к каждой секции предназначены свои патрубки и люки. Такие многосекционные горизонтальные РГСПД используются на предприятиях, где необходимо в одном вместилище хранить разные жидкости.
Тип металла
Сырье для производства подземных хранилищ нефтепродуктов выбирают в зависимости от условий использования:
- если минимальная температура воздуха зимой не опускается ниже –40 °C, выпуск изделий ведут из стали марки Ст3;
- для эксплуатации на предприятиях Крайнего Севера, где столбик термометра часто уходит за пределы –40 °C, изделия изготавливают из стали марки 09Г2С.
Кроме климатического исполнения, есть и такой критерий, как агрессивность среды, которую помещают на хранение. Для воды, кислот, щелочей и прочих реагентов предназначены подземные резервуары из нержавеющей стали.
Конструктивные особенности и элементы
Три главных составных части горизонтального двустенного резервуара — корпус, крышка и опоры (основание). К ним добавляются смотровые площадки и лестницы, необходимость и конструкция которых зависят от способа монтажа хранилища. К другому оснащению причисляют следующие компоненты:
- перепускные воздушные клапаны, позволяющие регулировать давление и предотвращать его значительное изменение при колебании температуры или пока осуществляется закачка или выпуск содержимого;
- приборы, повышающие безопасность эксплуатации, — манометры, термометры, уровни, молниеотводы, контрольные датчики;
- системы отопления (охлаждения), используемые с целью поддержания внутри вместилища заданной температуры;
- кровля, тип которой — плавающая или стационарная — зависит от способа монтажа.
Дополнительное оснащение выбирают с учетом условий эксплуатации хранилища и вида содержимого.
Монтаж двухстенной емкости
С производственной площадке стальные горизонтальные двустенные резервуары РГСПД поставляются в собранном состоянии. В процессе изготовления изделия оснащают металлическими опорными конструкциями и приспособлениями для строповки, чтобы удобнее было грузить тяжелые конструкции и выполнять монтаж. Чтобы бак, установленный в котловане, не всплыл, его фиксируют к фундаменту металлическими хомутами — их можно заказать в комплекте поставки вместе с закладными.
Топливные емкости нуждаются в дополнительной защите от статических электроразрядов. С этой целью подземные металлические конструкции после монтажа необходимо заземлить, тогда образование искр можно полностью исключить.
Где в Москве приобрести резервуар РГСПД по ценам изготовителя с доставкой по России и СНГ
Производством стальных емкостей для хранения нефтепродуктов в Москве занимается ООО "НПО "Спецнефтемаш". Компания реализует изделия со склада без посредников. Чтобы купить горизонтальный подземный резервуар, узнать цену и сроки доставки, необходимо позвонить по телефону 8-800-3021-565 или отправить заявку, заполнив контактную форму на сайте. Менеджер офиса продаж проконсультирует по ассортименту продукции, климатическому исполнению хранилищ, стоимости отгрузки в регионы России и города СНГ силами предприятия, поможет заказать двустенный резервуар РГСПД по заданным характеристикам и условиям эксплуатации. Заказчик может получить всю интересующую его документацию на изделия: сертификаты соответствия, технический паспорт, свидетельство об изготовлении.


